I. Overview of GUA Intrinsically Safe Magnetostrictive Displacement Sensor for Mining
The principle of the GUC2800 mine displacement sensor is to generate a strain pulse signal when two different magnetic fields intersect, and then calculate the time period required for this signal to be detected, thereby converting it into an accurate position. These two magnetic fields, one from the permanent magnet in the magnetic ring and the other from the excitation pulses generated by the electronic components in the sensor's electronic housing. The excitation pulse travels at the speed of sound along the waveguide wire made of magnetostrictive material inside the sensor. When intersecting with the permanent magnetic field in the magnetic ring, due to the magnetostrictive phenomenon, the mechanical vibration generated by the waveguide wire forms a strain pulse. The strain pulse was quickly detected by the sensing circuit in the electronic compartment. From the moment the excitation pulse is generated to the total time when the strain pulse is detected, multiplied by a fixed speed of sound, we can accurately calculate the position change of the magnet. This process is continuous, so whenever the position of the magnetic ring changes, the new position will be measured quickly. Since the output signal is a true absolute value rather than a proportional or signal that requires further amplification processing, there is no signal drift or value change, and it is not necessary to recalibrate regularly like other sensors.
The GUC2800 mine displacement sensor is non-contact and will never wear out. It features high resolution, high precision, high stability, high reliability, fast response time and long working life. The sensor does not need to be recalibrated or maintained regularly.
II. Technical Parameters of GUC2800 Intrinsically Safe Magnetostrictive Displacement Sensor for Mining:
★ Measurement range :0 to 1500mm
★ Working voltage: +12VDC
★ Output form/analog signal: 4 ~ 20mADC, 0 ~ 10VDC
★ Load capacity: Voltage signal output load ≥4KΩ, current signal output load ≤250Ω
★ Basic error: ±0.1%FS
★ Resolution: Better than 0.1mm
★ Hysteresis: Better than 0.005%FS
★ Temperature performance: ≤0.005%/℃
★ Working current: ≤30mA
★ Ambient temperature: -30℃ to +60℃
★ Measuring rod material: 0Cr18Ni9 (304), 316 stainless steel (Special customization)
★ Electronic housing shell material :0Cr18Ni9 (304), 316 stainless steel (Special customization)
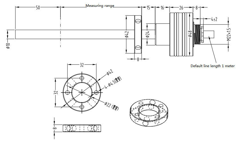
★ Wiring method: PVC shielded cable (default length: 1m, can also be provided according to user requirements)
★ Enclosure protection grade: IP67
III. Wiring Method of GUC2800 Intrinsically Safe Magnetostrictive Displacement Sensor for Mining:
The sensor has five contacts: positive power supply (red), negative power supply (white), positive output (green), empty (blue), and ground of the housing (shielded wire).
IV. Installation Method and Dimensions:
1. Check that the sensor and magnetic ring are in good condition. Plan the cable path to avoid high-power equipment; Prepare the necessary tools.
2. Clean the threads; Tighten with an appropriate torque; The shell is reliably grounded.
3. The magnetic ring and the measuring rod remain concentric and have no contact.
4. Connect strictly according to the wire color or marking. Do not reverse the positive and negative terminals of the power supply and ensure that the shielded wire is grounded.
5. First, power on and test separately. Move the magnetic ring to observe the output changes. After everything is normal, connect the control system to recheck the data.
